Models
>
917373981
917373981 Craftsman Lawn Mower
Jump to:
Find Part by Name
Keep searches simple, eg. "belt" or "pump".
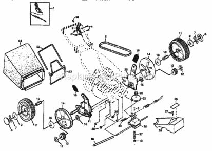
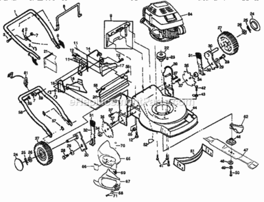
Diagrams for 917373981
Viewing 3 of 3Keep searches simple, eg. "belt" or "pump".
This is a genuine hex flange locknut for a lawn mower. It attaches to the carriage bolt (sold separately), fastening the axle assembly braces in place. This part is sold individually, however most mod...
In Stock
Order now and your part arrives by Apr 9
$11.49
This is an OEM part sourced directly from Husqvarna. This handle knob is used on a variety of lawn and garden equipment. Commonly used in lawn mower to secure the handle, and in snow blowers to secure...
In Stock
Order now and your part arrives by Apr 9
This is an OEM part sourced directly from Husqvarna. This grade 8 hex head screw is made of metal and measures approximately 3/8 - 24 x 1 ? 3/8. This screw is commonly used in lawn mowers, snow blower...
In Stock
Order now and your part arrives by Apr 9
$8.70
This manufacturer approved bolt is made for lawn and garden equipment. In conjunction with handle knob it helps to secure the upper and lower handles together. The way this bolt is designed, you will ...
In Stock
Order now and your part arrives by Apr 9
$25.85
This blade adapter is an OEM direct from Craftsman for lawn mowers, rotary mowers and gas, walk behind lawn mowers. This part connects to the mower blade to the motor shaft. You will need a socket an...
In Stock
Order now and your part arrives by Apr 9
This is a genuine Craftsman selector knob that is specifically made for use with a walk behind lawn mower. This selector knob attaches to the adjustment lever giving the user a comfortable grip when a...
In Stock
Order now and your part arrives by Apr 9
$32.64
This genuine replacement 22" blade is sourced directly from the original equipment manufacturer for use with Craftsman lawn mowers. It provides an identical replacement for a missing or a faulty compo...
In Stock
Order now and your part arrives by Apr 9
$8.70
This washer is an OEM direct from Husqvarna. Compatible with many lawn mowers, this metal item helps to secure the wheel to the adjuster assembly. An adjustable wrench is helpful for the repair, and t...
In Stock
Order now and your part arrives by Apr 9
$34.85
This is an authentic manufacturer made replacement part which is specially designed for use with Poulan, Weed Eater, and Husqvarna lawn mowers. The wheels allow you to easily move your mower over your...
Special Order
$6.51
A genuine item which is supplied directly from the original equipment manufacturer for use with Poulan, Husqvarna and Weed Eater lawn and garden equipment. It is one of the special screws for the skir...
In Stock
Order now and your part arrives by Apr 9
$6.51
It is an authentic item that is supplied directly from the original equipment manufacturer for use with lawn mowers. This is an identical replacement for a missing or damaged spacer that was originall...
In Stock
Order now and your part arrives by Apr 9
This is an authentic manufacturer-sourced replacement component which is specially designed for use with Poulan, Husqvarna and Weed Eater walk-behind lawn mowers. It helps to secure a component on a s...
No Longer Available
Questions and Answers
We're sorry, but our Q&A experts are temporarily unavailable.
Please check back later if you still haven't found the answer you need.
Keep searches simple. Use keywords, e.g. "leaking", "pump", "broken" or "fit".
- Customer:
- Joel from ROSEVILLE, MN
- Parts Used:
- 581547901
- Difficulty Level:
- Very Easy
- Total Repair Time:
- Less than 15 mins
- Tools:
- Socket set
My lawn mower blade wouldn’t stay in place. The old blade adapter had worn down and broken.
I took off the old blade adapter and put the new one on. It literally requires removing one bolt. Unfortunately, once I started and ran my mower for a few minutes it blew up and left a charred patch of lawn. The underside of the mower is mangled metal and unusable now. The repair, though, was super easy!
Was this instruction helpful to you?
Thank you for voting!